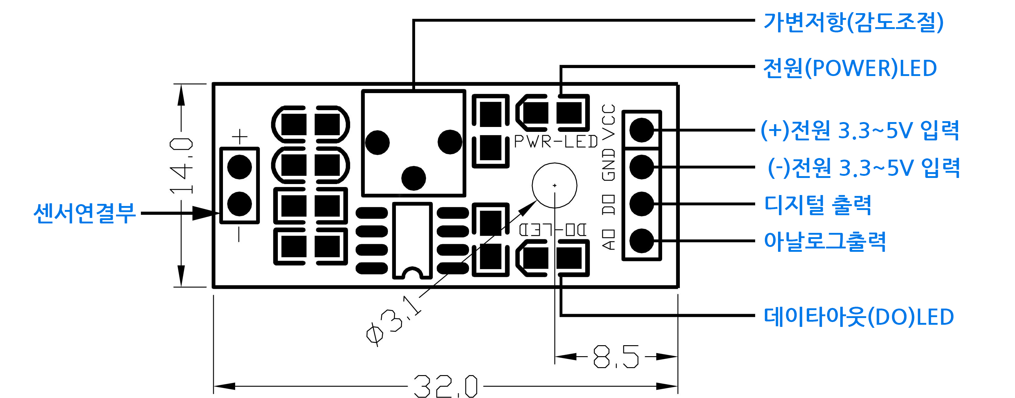
아두이노 충격/진동 센서(SW-18010P)를 가져왔습니다.

동작 전압: 3.3V~5V
디지털 출력: 디지털 스위치 출력 (0,1)
가변 저항 조정 가능
http://ohmye.co.kr/product/detail.html?product_no=22451
SW18010P 진동센서 모듈(디지털&아날로그 출력가능) 아두이노 호환/아두이노/Arduino
이 상품을 구매하신 분들은 아래상품도 함께 구매하셨습니다. 상품 Q&A 상품에 대해 궁금한 점을 해결해 드립니다. 게시물이 없습니다 상품결제정보 고액결제의 경우 안전을 위해 카드사에서 확인전화를 드릴 수도 있습니다. 확인과정에서 도난 카드
ohmye.co.kr
파일 출처는 저 사이트에서. 센서 모듈 관련 자료.

진동센서의 원리는 이 블로그를 참조. (블로그에서 사용한 센서와 다른 거입니다.)
[아두이노 부품] 진동 센서(충격 감지 센서) 알아보기
진동 센서(충격 감지 센서) 알아보기 안녕하세요. 아토플래닛의 가현쌤입니다. 오늘도 즐거운 월요일의 시...
blog.naver.com
안에 있는 스프링이 충격을 감지한다고 합니다!
코딩..
코드는 요짝으로 적어주세요!
void setup() {
Serial.begin(9600);
pinMode(5, INPUT);
}
int sum = 0;
void loop() {
int val = analogRead(A0);
Serial.print("Val = ");
Serial.println(val);
sum = sum+val;
Serial.print("Sum = ");
Serial.println(sum);
delay(1000);
}
짧죠? 짧으니 한번 따라 적어보는 것도 나쁘지 않습니다만 저 같으면 복붙 합니다.

코드를 업로드하고 동작시켰을 때 모습. 아직은 충격이 없어서 Val 값이 24~26 사이.

네 마커펜으로 한 대 때렸습니다.
결과는 Val 값이 26에서 1023으로 솟구치는군요. 아프겠다.
사실 이 친구는 맞으라고 만들어진 거라 상관없습니다. 그리고 세게 때리지도 않았어요. 고장 날까 봐.
이렇게 짧은 아두이노 센서 활용(?) 법을 포스팅 완료했다.
정말 정말 간단하고 이 친구는 납땜이 되어서 오는 센서니까 초보자분들도 부품만 있다면
쉽게 센서를 활용(?)할 수 있다.
다음번 포스팅은 아마 온습도계 센서 활용법이나 아두이노 프로젝트 하나 올라갈 예정.
'포트폴리오' 카테고리의 다른 글
| 블루투스 및 적외선 리모컨으로 조종 가능한 라인트레이서로 반 자율주행이 가능한 초음파 센서로 장애물 감지가 가능한 아두이노 스마트카(RC카) 만들기 (1) | 2019.08.10 |
|---|---|
| 초간단 아두이노로 롤 점멸 빼기 (0) | 2019.08.07 |
| 아두이노 자이로센서(MPU6050센서) 써보기 (5) | 2019.08.04 |
| 아두이노 TCS 34725 센서로 RGB 값 감지하기(쉬움) (2) | 2019.08.04 |
| 미세먼지 측정기 제작기 (아두이노) (0) | 2019.07.29 |